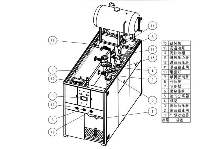
油温机因热效率高,移动操作方便,控温精度高,温度高等优势在各个制造行业已经被普遍使用。导热油模温机是以导热油作为传热介质,又叫油温机,油加热器等。导热油模温机主要是由3大部件构成:电控部分;加热部分;传动部分。
具体工作原理是:油温机设有一个储油箱,(储油箱的大小根据循环流量设计,并且还要考虑膨胀系数的大小)开机前导热油由储油箱进入系统,系统内自动补油,经循环泵打入到模具或其它需要控温的设备,导热油从被控温设备出来后,再返回到系统,周而复始。
加热冷却双PID控制,导热油通过发热管开始升温,出口导热油低于设定温度发热管自动加热,当温度传感器探测到的媒体温度达到设定值时,加热器停止工作,保持恒温。当油温高于设定温度时,加热器不加热,冷却电磁阀打开,冷却水进入冷却器中,开始降温。当温度低于设定值时,加热器开始加热,当温度达到设定值后,又停止工作保持恒温,这就是油温机的工作原理了。


中能温控模温机特色——高位油槽专利技术设计
导热油特性,是在超过 60 度温度环境下,与油槽空间氧气发生氧化现象,形成变质的沉淀物(俗称油泥)。普通膨胀油槽与导热油管道直接互通,在温升与温降的过程中,膨胀油槽中导热油与管道内导热油会发生互换,使导热油热温直接带到膨胀槽中,槽体空间温度超过 60 度,膨胀槽中导热油与槽体空间中的氧气发生高温反应,加速导热油变质形成油泥沉淀物。同时,在导热油互换过程中,沉淀物会带至导热油循环管内,影响设备使用。我司利用专利技术,设置高低位油槽的方案,将油槽温度有效的控制在 60 以下,防止导热油变质。

以上模温机的知识你学会了吗?选择模温机适合自己的才是好的,要根据生产需求综合考虑,才能提高生产效率和产品品质,关于模温机的选购方面有什么问题的,可以向中能温控咨询。订购/咨询热线:19174151632